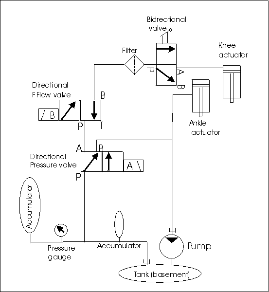
Fluid Schematic (Obsolete)
The hydraulics system pumps the fluid to the servo-valve, which will then activate
the actuator. A pump is located in the basement, which pumps fluid through the
system. The schematic of the pipes is as follows:

Last Modified: 2006-08-14 Ross Wagner
|