Valve
Drive Module

This
schematic also available as:valve_drive.cdr
(v.9), valve_drive.pdf
Components
-
D1210 Solid State Relay (Crydom)
-
1091M5-125V
LED Indicator light (Chicago Miniature)
-
K-RM-178-BK
Chassis (Pactec)
-
206430-1 Circular
Plastic Connectors with 66181-1 socket contacts (AMP Inc.)
Click here: parts.txt
for a more complete parts list.
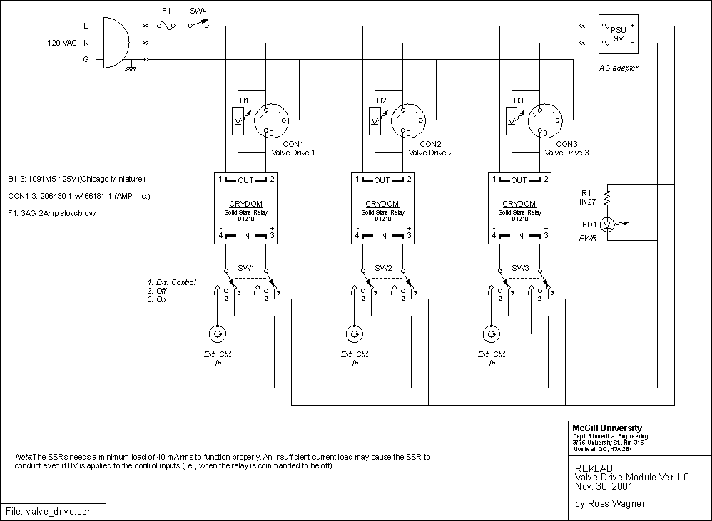
Functional
Description
This
module supplies 120VAC power to the solenoid and directional valves used to
direct fluid flow through the hydraulic system. Each valve-drive section (3
in all) supplies power as determined by its own selector switch. The user
may manually turn a valve on/off or put it under electronic control via the
"Ext. Ctrl. In" BNC connector. In this latter case, a TTL signal may control
the valve drive; a high level will turn the drive on. The pilot light will
illuminate when the valve is being powered (see Note 1 below).
This
module interfaces with the hydraulic system as follows:
For
Valve Drive section 1:
- Connect Ext. Ctrl. In to the Logic Module FWD FLOW 1 output.
- Connect Drive
Out to the input of valve FWD Flow 1.
For
Valve Drive section 2:
- Connect Ext. Ctrl. In to the Logic Module PRESSURE output.
- Connect Drive
Out to the input of the pressure valve.
For
Valve Drive section 3:
- Connect Ext. Ctrl. In to the Logic Module FWD FLOW 2 output.
- Connect Drive
Out to the input of valve FWD Flow 2.
Note:
The solid state relays within the module require a minimum load
to shut off. If, for example, no valves are connected to the module then powering
it on will cause all of the pilot lights to illuminate regardless of the position
of the selector switches. In this case, however, the light intensity is significantly
less than when a valve is connected and is turned on.
Last modified: February 18, 2002 Laura Galiana
|